Skip to content
Delilah
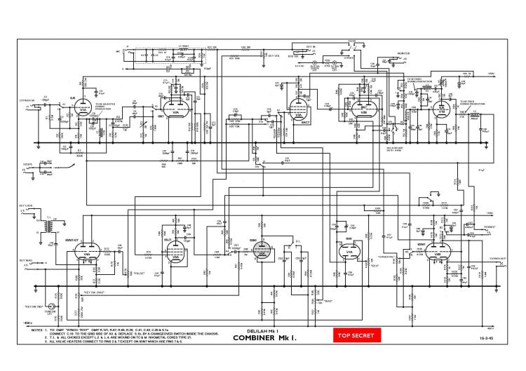
Voice Secrecy System
Combiner Circuit Diagram
Delilah
Sign up
Log in
Copy shortlink
Report this content
Manage subscriptions
Loading Comments...
Write a Comment...
Email (Required)
Name (Required)
Website